在電動汽車續航焦慮與儲能安全需求雙陞級的今天,電池管理系統(BMS)的精度與穩定性成為行業覈心競爭點。
面對市場對高壓電池組“更安全、更精准、更智慧”的迫切需求,ADI重磅出擊——最新推出的ADBMS2970電池組監控器,憑藉其高精度低誤差和EIS檢測系統,為高壓電池組提供“晶片級”的安全防護和健康診斷。
本文將對ADBMS2970的科技特性進行解析,揭示其如何通過實时電流電壓及電池容量監測,化身新能源領域的“電池醫生”,為高壓電池系統的安全運行與高效管理保駕護航。

ADBMS2970是一款電池組監視器晶片,主要用於電動和混合動力汽車以及其他電流或電壓感應檢測,是汽車電池組的重要組成部分之一。
該晶片支持EIS電流通道和EIS電池組電壓量測。 EIS全稱是電化學阻抗譜,其工作原理是:通過電流通道向電池精准施加毫伏級正弦交流電,再通過監測阻抗隨頻率的變化規律,從而解析電池內部的電化學過程。 這一過程就像為電池組做“心電圖”和“CT掃描”,能更精准地診斷其健康狀態。 值得注意的是,ADBMS2970可以同步量測多個電池的阻抗,並通過庫倫計數來精確計算電池組的損耗程度。

首先我們來看它的封裝和X-ray,ADBMS2970採用了的QFN-48封裝,具有面積小,散熱性高的特點。 從X-ray中可清晰看出,ADI繼續然沿用了之前雙die結構,即一顆大的die承擔晶片主要功能,另一顆小的起提供參攷電壓的作用。

ADBMS2970封裝圖

ADBMS2970 X-ray圖

ADBMS2970頂層概貌圖
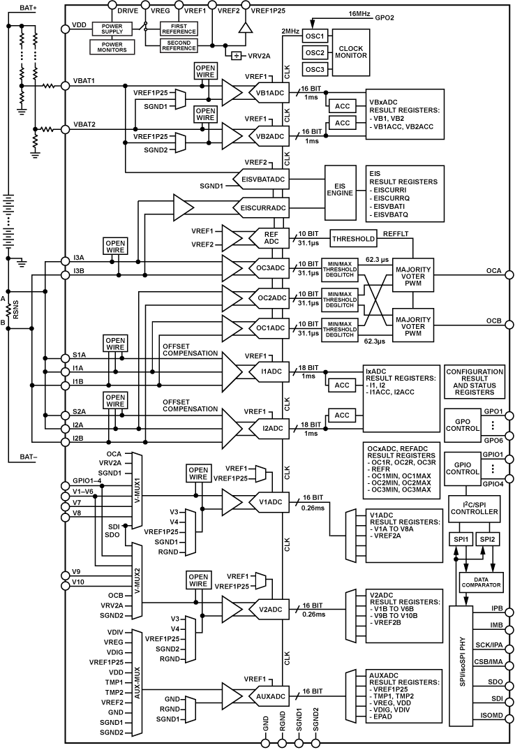
結合結構框圖與晶片特性可知,ADBMS2970採用多種高精度ADC設計,通過量測同一分流電阻兩端的電壓降實現EIS電流檢測,同時量測流入和流出電池組的電流以及電壓。

ADBMS2970結構框圖(圖源ADI官網)
本晶片提供了12個專用的緩衝高阻抗輸入,可以用於量測電池組電壓或者擴展量測溫度、HV-Link電壓甚至保險絲狀態等。 從晶片手册中我們瞭解到,通過一些配寘還可以進一步擴展緩衝高阻抗輸入到20個,進一步新增量測埠數量。
ADBMS2970內部還有6個支持開漏或者推挽模式的數位輸出,可用於控制外部的高壓電晶體,以控制電阻分壓器的通斷。
作為ADI電池管理系統的一員,ADBMS2970還可以通過配寘序列介面與其他BMS控制器進行isoSPI通信,或者通過額外的isoSPI埠與其他電池管理組件進行菊鏈連接,實現系統的擴展與聯動運行。
芯聯成當前正針對該晶片開展深入且系統的分析工作。 若您想要瞭解更多關於這款晶片科技細節,歡迎隨時與我們聯系,我們將竭誠為您提供專業解答與技術支援。

BMS晶片性能比較
芯聯成已完成電路分析的BMS晶片性能比較:

表格內數據基於晶片手册提供
